Opto-MOSFET Relays' Role in BMS's battery balancing
This article will explore the advantages of using opto-MOSFET relays in a battery balancing circuit for lithium-ion battery packs. As a leading supplier of opto-MOSFET relays and reed relays for Battery Management System (BMS), we aim to provide valuable insights for those seeking miniature relays to optimize their battery balancing circuit.
In this article, we will delve into the details of active and passive balancing circuits and highlight the benefits of using opto-MOSFET relays. Please contact us for further information or suggestion on selection of opto-MOSFET Relays in your BMS battery balancing circuit.
Toward's Opto-MOSFET Relays are suitable choices for active and passive balancing circuits
There are two forms of battery balancing: active balancing and passive balancing. Both balance the power in each battery cell to optimize the total power of the battery pack in an electric vehicle or energy storage system. Toward's Opto-MOSFET Relays are the most suitable choice for designers to apply in their BMS to due to the miniature size, decades of lifetime, stable switchings and provides photo (airgap) isolation between the low-power control circuitry and high voltage battery pack.
Active Balancing
In an active battery balancing circuit, excess energy from a fully charged battery cell is transferred to inductors, which then delegate the energy to battery cells with less power. This process is controlled by the battery management system (BMS), which uses a Opto-MOSFET Relays to switch the cells on and off as needed.
The Opto-MOSFET Relays acts as a switch between the fully charged cell and the inductor. When the BMS determines that a cell is fully charged and needs to be balanced, it sends a signal to the Opto-MOSFET Relays to switch on, allowing current to flow from the fully charged cell to the inductor. This excess energy is then transferred to the battery cells with less power.
When the BMS determines that the balancing is complete, it sends a signal to the Opto-MOSFET Relays to switch off, stopping the flow of current between the fully charged cell and the inductor. This process is repeated as needed to ensure that all cells in the battery pack are balanced and operating at maximum performance and efficiency.
Overall, Opto-MOSFET Relays plays a critical role in the active battery balancing circuit by providing precise control over the flow of current between cells and ensuring that the battery pack operates safely and efficiently.
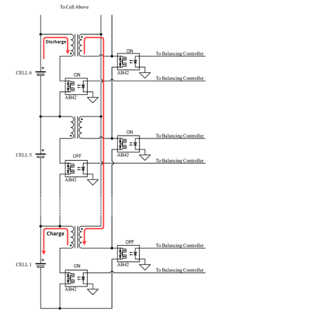
Active Balancng Circuit for BMS using Opto-MOSFET Relays
This is anexample for an active balancing circuit, in which excess energy from a fully charged cell is transferred to inductors and delegated to cells with less power. A Opto-MOSFET Relays is used as a switch controlled by the battery management system (BMS) to turn cells on and off as needed. The relay allows current to flow from the fully charged cell to the inductor when balancing is required, and then stops the flow of current once balancing is complete. The Opto-MOSFET Relays provides precise control over current flow and helps ensure safe and efficient operation of the battery pack.
Passive Balancing
Passive balancing circuits use resistors to dissipate the excess energy from a battery cell to ensure that the overall battery pack is balanced. In this type of circuit, a Opto-MOSFET Relay is used to connect each cell or module to a resistor. When a cell or module needs to be balanced, the relay is activated by a control circuit, allowing the excess energy to flow through the resistor.
Opto-MOSFET Relays provides a precise and efficient way to control the flow of energy through the resistor. When the relay is turned on, it allows the energy to flow through the resistor, which dissipates the excess energy from the battery cell. When the relay is turned off, it prevents any further energy from flowing through the resistor.
The use of a Opto-MOSFET Relay in a passive balancing circuit provides several advantages over other types of relays. It provides a precise and efficient control of the flow of energy, allowing for better balancing of the battery cells. It also has no physical contact, which means there is less chance of wear and tear and less chance of electromagnetic interference.
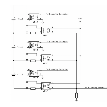
Passive Balancng Circuit for BMS using Opto-MOSFET Relays
This is an example of a passive battery balancing circuit which uses resistors to balance the overall battery pack. An Opto-MOSFET Relay is used to connect each cell to a resistor and control the flow of energy through it. This relay is activated by a control circuit when a cell needs to be balanced, allowing the excess energy to flow through the resistor. The Opto-MOSFET Relay provides a precise and efficient way to control energy flow, dissipating excess energy from the battery cell.
Opto-MOSFET Relays: A Promising Solution for Efficient and Safe Battery Management in EVs and Energy Storage Systems
In conclusion, efficient and reliable battery management is crucial for the optimal performance and longevity of lithium-ion battery packs used in electric vehicles and renewable energy storage systems. The use of opto-MOSFET relays in both active and passive battery balancing circuits is a promising solution for BMS manufacturers and EV manufacturers. Opto-MOSFET relays provide precise control over the flow of energy, ensuring safe and efficient operation of the battery pack, while their miniature size, long lifetime, stable switchings, and photo isolation make them a suitable choice for use in BMS. As demand for electric vehicles and renewable energy storage continues to rise, the role of opto-MOSFET relays in battery management systems is likely to become even more critical.
- Related Products
-
60V/2.5A/DIP-4Solid State Relay
AB42
This DIP-4, Load Current up to 2.5 Amps, Load Voltage at 60V single-pole normally open IC Solid State Relay is highly reliable due to its contactless design....
Details Add to cart60V/5A/DIP-6 Solid State Relay
AA42
TOWARD RELAYS' carry current 5A, load voltage 60V miniture IC Solid State Relay is specifically designed for high load current capabilities with stable...
Details Add to cart60V/2.5A/SMD-4 Solid State Relay
AB42F
This 2.5A/60V SMD-4 miniture IC Solid State Relay is specifically designed for high load current capabilities. With the incorporation of a MOSFET along...
Details Add to cart60V/5A/SMD-6 Solid State Relay
AA42F
This load current 5A, load voltage 60V SMD-6 miniture IC Solid State Relay is specifically designed for high load current capabilities. With the incorporation...
Details Add to cart60V/2.5A/SOP-4 Solid State Relay
AB42S
This carry current 2.5A, load voltage 60V SOP-4 miniture IC Solid State Relay is specifically designed for high load current capabilities. With the incorporation...
Details Add to cart




